产品简介
CYW不锈钢差压表分为CYW-152B(I型、II型)径向安装不锈钢差压表和CYW-153B轴向安装不锈钢差压表,CYW-152B I型不锈钢差压表全部采用不锈钢制成,其中的测量系统(双波纹管及连接部件)、导压系统(包括接头、导管等)采用特种奥氏体不锈钢制成,具有较强的耐腐蚀及抗工作环境侵蚀影响。仪表整体结构设计合理、具有体积小、重量轻、稳定性好、使用寿命长、外观新颖、适应性强等优点,适用于化工、化纤、冶金、电力、核电等工业部门的工艺流程中测量各种液(气)体介质的差压、流量等参数。
技术参数
精度等级:2.5级
差压测量范围:0~10、16、25、40、60、100KPa或0~0.16、0.25、0.4、0.6、1、1.6、2.5MPa范围可选,也可做成其它压力单位
静压测量范围:为差压测量范围的6~10倍
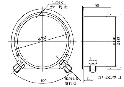
接头螺纹:M20*1.5或1/2″NPT
表壳材质:0Cr18Ni9(304)
接头材质:0Cr18Ni9(304)或0Cr17Ni12Mo2(316)
波纹管材质:00Cr17Ni14Mo2(316L)
使用环境温度:-40~70℃
抗工作环境振动:V·H·3级
外壳防护等级:IP54
重量:约1.5Kg
执行标准:企业标准Q/YXBM831-1997
结构原理
仪表采用双波纹管结构,即两只波纹管分别安装在“工”字型支架两侧的对称位置上。“工”字型支架的上下两端分别为活动端和固定端,中间由弹簧片相连接;两只波纹管呈平行状态,分别用导管与表壳上的高低压接头相连接;齿轮传动机构直接安装在支架的固定端,并通过拉杆与支架的活动端相连接;度盘则直接固定在齿轮传动机构上。
仪表的工作原理:基于感压元件采用两只具有相同刚度的波纹管,因此在同一被测介质下迫使其产生相同的集中力分别作用于活动支架上,由于弹簧片两侧在等力矩作用下不产生挠度,故支架还处于原始位置,这样齿轮传动机构也不动作,使指针仍指在零位,当施加不同压力(一般高压端高于低压端)时,两波纹管作用在活动支架上的力则不相等,使分别产生相应的位移,并带动齿轮传动机构传动并予放大,由指针偏转后指示出两者之间的差压值。
型号举例:
CYW-152B(I型)表示表盘直径为150mm的径向平行式安装不锈钢差压表
CYW-152B(II型)表示表盘直径为150mm的径向斜式安装不锈钢差压表
安装图片





