产品简介
YX-160B防爆电接点压力表适宜在有爆炸危险的场所内用来测量非结晶、非凝固的爆炸性混合物或各种无爆炸性的介质压力,并能与具有相应防爆性能或采取相应安全措施的电气器件(如继电器及接触器等)配套使用,对被控系统实现自动控制和发信(报警)的目的。
技术参数
精度等级:1.6级
表盘直径:约160mm
安装型式:径向型安装
测量范围:0-2.5MPa(0~0.16、0.25、0.4、0.6、1、1.6、2.5、4、6、10、16、25、40、60或-0.1~0、0.06、0.15、0.3、0.5、0.9、1.5、2.4MPa范围可选)
接头螺纹:M20*1.5或其它
隔爆接合面型式及其基本参数:
隔爆外壳及导压系统等零件和材质:
控制方式:上、下限缓行接点开关
Zui高工作电压:DC 220V或AC 380V
触头功率:10VA
绝缘强度:50Hz正弦交流电2000V历时一分钟
工作位置:垂直安装
使用环境温度:-10~50℃,相对湿度不大于80%
温度影响:示值不大于0.4%/10℃,设定点不大于0.6%/10℃(使用温度偏离20±5℃)
结构原理
仪表由隔爆外壳、测量系统、电接点组、调节装置和出线盒等组成,隔爆外壳具有良好的隔爆性能,因此对在正常工作过程中由于火花或电弧的影响,除了能承受壳体内部的爆炸性气体混合物在一旦引起爆炸时产生的爆炸压力外,并能有效地阻止由此产生的热能向外顺利传播,而只能在壳体内部沿着隔爆接合面的微小缝隙处缓慢地向外扩散。这时,传至壳体外部的瞬间温度已降低到爆炸性气体混合物的燃点温度以下,故不会导致传爆;仪表的工作原理是基于检测元件(测量系统中的弹簧管)的弹性变形,通过机械传动使之带动电接点组中的触头产生相应的动作(闭合或断开)以使控压系统中的电路得以接通或断开,从而实现自动控制报警和现场指示的目的。
安装图片及尺寸
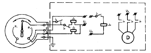
电气接线图





