产品简介
膜盒压力表采用膜盒作为测量微小压力的敏感元件。测量对铜合金不起腐蚀作用、无爆炸危险气体的微压和负压,广泛应用于锅炉通风、气体管道、燃烧装置等及其他类似设备上。
技术参数
精度等级:2.5级,1.6级
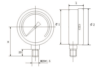
表盘直径:100mm,150mm
安装型式:径向型
接头螺纹:M20*1.5
表壳材质:普通钢
接头材质:黄铜HPb59-1
膜盒材质:锡青铜QSn6.5-0.1
安装方式:径向式垂直安装
使用环境温度:-25~55℃;相对湿度不大于80%,周围空气中不含有腐蚀仪表的有害气体
温度影响:使用温度偏离20±5℃时,其温度附加误差不大于0.4%/10℃
结构原理
仪表由测量系统(包括接头、波纹膜盒等),传动机构(包括拨杆机构、齿轮传动机构),指示部件(包括指针与度盘)和外壳(包括表壳、衬圈和表玻璃)所组成。仪表的工作原理是基于波纹膜盒在被测介质的压力作用于膜盒时,其自由端产生相应的弹性变形,再经齿轮传动机构的传动并予放大,由固定于齿轮轴上的指针将被测值在度盘上指示出来。
型号举例
YE-100B表示表盘直径为100mm的径向型耐腐蚀不锈钢膜盒压力表
YE-150BFZ表示表盘直径为150mm的径向型耐腐蚀抗振不锈钢膜盒压力表
标度范围、精度等级、重量
| 型号 | 标度范围(KPa) | 精度等级 | 重量 | ||
| 正压 | 负压 | 正负压 | |||
| YE-100 YE-150 | 0~1.6 0~2.5 0~4 0~6 0~10 0~16 0~25 0~40 | -1.6~0 -2.5~0 -4~0 -6~0 -10~0 -16~0 -25~0 -40~0 | -0.8~0.8 -1.2~1.2 -2~2 -3~3 -5~5 -8~8 -12~12 -20~20 | 1.6 2.5 | 0.5 |
安装图片





