产品简介
YPF膜片压力表适用于测量具有一定腐蚀性、非凝固或非结晶的各种流体介质的压力或负压,YPF系列膜片压力表省去了传输介质,具有安全、整体机构设计合理,工艺精致和持久的稳定性。
技术参数
精度等级:2.5级
接头螺纹:M20*1.5或其它
表壳材质:铸铝
接头材质:0Cr18Ni9(304)或0Cr17Ni12Mo2(316)
膜片材质:Cr15Ni7Mo或316L
使用环境温度:-40~70℃;相对湿度不大于90%
温度影响:不大于0.4%/10℃(使用温度偏离20±5℃)
抗工作环境振动:V·H·3
外壳防护等级:IP64
结构原理
仪表由测量系统(包括法兰接头、波纹膜片)、传动指示机构(包括连杆、齿轮传动机构、指针和度盘)和外壳(包括表壳和罩圈)等组成。仪表外壳为防溅结构,具有较好的密封性,故能保护内部机构免受污秽侵入。
仪表的作用原理是基于弹性元件(测量系统上的膜片)变形。在被测介质的压力作用下,迫使膜片产生相应的弹性变形--位移,借助连杆组经传动机构的传动并予放大,由固定于齿轮上的指针逐将被测值在度盘上指示出来。
使用选型
YPF-100A表示表盘直径为100mm的径向型带隔离膜片的普通膜片压力表
YPF-150A表示表盘直径为150mm的径向型带隔离膜片的普通膜片压力表
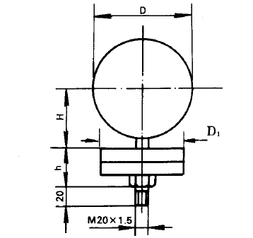
标度范围、外形尺寸及重量:
型号 | 标度范围 ( 测量范围 ) | 承压部尺寸mm | 表壳外径mm | 重量Kg |
YPF-100A YPF-100B YPF-100B-F | 0~0.06、0~0.1、0~0.16、0~0.25、0~0.4、0~0.6、0~1、0~1.6、0~2.5、-0.1~0、-0.1~0.06、-0.1~0.15、-0.1~0.3、-0.1~0.5、-0.1~0.9、-0.1~1.5 -0.1~2.4Mpa | Ф85 Ф115 | Ф100 | 1.6 |
YPF-150A YPF-150B YPF-150B-F | Ф85 Ф115 | Ф150 Ф150 | 1.8 1.8 | |
YPF-100A YPF-100B YPF-100B-F | 0~1.6、~2.5、0~4、0~6、0~10 0~16、0~25、0~40 -1.6~0、-2.5~0、-4~0、-6~0、 -10~0、-16~0、-25~0、-40~0 -0.8~0.8、-1.2~1.2、-2~2、-3~3、-5~5、-8~8、-12~12、-20~20KPa | Ф160 | Ф100 | 2.9 |
YPF-150A YPF-150B YPF-150B-F |
安装图片





